Environics Vaastu

When a New Home Brings Unexpected Challenges: A Real-Life Energy Case Study

Synopsis: 

When my old friend called about his family’s persistent health issues after moving into a new apartment, I knew something was amiss. Despite its natural light and open feel, the home concealed serious energy imbalances, unknowingly affecting their well-being. Our assessment revealed energy disturbances due to multiple Vaastu disruptions, geopathic stress, and electromagnetic disturbances—all contributing to their struggles. This case study highlights how unseen energy forces can impact daily life and why ensuring a supportive living space is essential, whether owned or rented.

A few weeks ago, I received a call from an old friend (A client turned friend 😊). We had known each other for 20 years, and we had worked on several of his properties over the years. This time, however, he wasn’t calling to catch up—he needed help.

Unexplained Health Issues

Having recently moved to Mumbai from Delhi, he and his family had been facing a string of health issues since they shifted to their rented apartment. His wife had been diagnosed with cancer (fortunately caught at an early stage), his daughter had suffered a prolonged illness, his wife had fractured her ankle, and, most recently, their beloved pet had passed away. The continuous distress finally prompted him to reach out.

Misconceptions About Energy

Curious, I asked why he hadn’t called me earlier, given our long-standing relationship. He admitted that since the apartment had great natural light and ventilation—quite rare in Bandra—he assumed the energy would naturally be good. Plus, being a rented space, he had thought he would only invest in corrections when purchasing his own home.

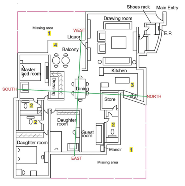
When I visited the home during my next trip to Mumbai, I immediately noticed its aesthetic appeal. It was well-designed, airy, and full of light. But when we measured the energy using the instrument, the story was different. The readings revealed energy disturbance throughout the house. Upon analysing the layout, several Vaastu imbalances became evident:

1. Missing Key Zones – The apartment had an irregular shape with the Northeast (NE) and Southwest (SW) zones missing. The NE zone is crucial for health and well-being, and its absence can lead to persistent health issues. The missing SW zone impacted stability in life.

2. Toilet in the Northeast – A toilet in the NE further weakened the positive energy, exacerbating health-related challenges for the family.

3. Kitchen in the North – This placement can lead to financial instability. In this case, while money was coming in, it was draining out rapidly—mostly in medical expenses.

4. stress right under the master bed, particularly on the side where his wife slept. Prolonged exposure to such stress can contribute to chronic health issues.

5. EMR – The router was placed in a way that affected the Master Bed, adding to the disturbances in sleep and overall well-being.

Everything that could go wrong in the space was wrong. Environics team immediately implemented our energy and radiation corrective solutions to realign the home’s energy. The family, with their resilience and determination, had already fought many battles, but my question remained—why suffer when awareness and solutions exist?

Learnings & Takeaways:

1. Energy Matters: A home may look beautiful, but hidden energy imbalances can impact health, stability, and finances.

2. Awareness is Key: If you are experiencing unexplained health or financial issues, consider assessing the energy of your space.

3. Prevention is Better than Cure: Don’t wait until challenges arise—ensure any space you live in is energetically supportive from day one.

4. Not Just for Owned Homes: Even if you are renting, energy corrections can significantly improve your well-being.

Just like we decorate our homes to make them feel warm and inviting, addressing the energy within our spaces is equally important. Because a home should not just look good—it should feel good, too.

Scroll to Top